24小時聯系電話:18217114652、13661815404
中文
行業資訊
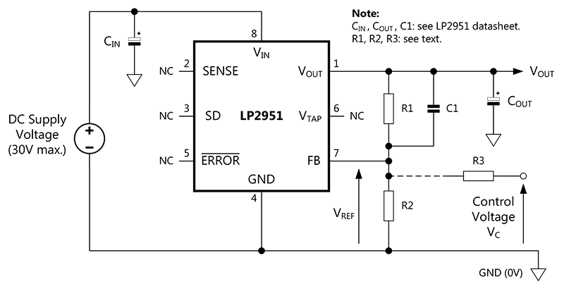
基于LP2951創建通用的電壓控制穩壓器
LP2951穩壓器通常用于需要預設輸出電壓的應用中,可以使用兩個電阻器輕松配置該電壓。該器件可在1.235V至30V左右的寬范圍輸出電壓范圍內提供低壓差調節。因而成為需要微功率調節器,能夠提供高達100 mA負載電流的微電路的流行選擇。
基本電路配置如圖1所示,其中電阻R1和R2根據以下簡單公式設置輸出電壓:
V OUT = V REF(1 + R1 / R2)+ I FB .R1(伏)
這里,V REF是出現在反饋(FB)引腳上的內部基準電壓(通常為1.235V),而I FB是流入反饋引腳的偏置電流。通常,IFB約為20 nA,因此,如果R1不太大,則可以忽略IFB引起的誤差,并且輸出電壓的表達式可簡化為:
V OUT = V REF(1 + R1 / R2)(伏)
可以通過用可變電阻(例如微調電位器)代替固定電阻R1來調節輸出電壓。通過適當選擇R2,這可以使V OUT在高達30V的寬電壓范圍內變化。盡管這種方法具有靈活性,但仍存在局限性:特別是,它只能用于設置單個穩壓器的輸出電壓,并且需要手動調節電位計無法提供直接的線性電子控制方法。此外,通過檢查上述方程式可以發現,即使R1設置為零,V OUT也不能小于V REF(1.235V)。
但是,僅添加一個額外的電阻器R3,就可以直接由DC電壓V C控制輸出電壓(圖1)。V OUT和V C之間的關系是反比和線性的,即,增加V C會導致V OUT成比例地下降。在一定條件下,幾乎可以建立任何關系。此外,還有一個額外的好處,就是V OUT現在可以擺幅低于 V REF。實際上,這種方法允許V OUT接近地(0V)。
這種簡單的方案使相對“弱”的電壓(例如,從DAC或運算放大器獲得)可以控制更高的電壓和功率水平。它還允許一個電壓來控制多個調節器,每個調節器都可以具有自己獨特的控制特性。
使用圖2中的公式計算生成所需V OUT與V C關系所需的R1,R2和R3值,其中V OUT(min)是當V C為最大值時出現的最低輸出電壓要求值。,(V C(max))和V OUT(max)是當V C為零時出現的最高輸出電壓要求值。在計算k時,V REF可以作為其典型值(1.235V)。
圖2使用這些設計方程式來計算生成所需的V OUT與V C關系所需的R1,R2和R3值。
使用公式1 確定k后,為R3選擇一個首選值,然后使用公式2和3分別計算R1和R2的值。為了獲得R1和R2的合適的首選值,可能需要嘗試幾個不同的R3值。選擇R1,R2和R3的值后,可以使用公式4計算任意V C的V OUT值。
重要的是要滿足圖2所示的條件。第一個條件要求V OUT的最大值必須大于V REF。必須確保等式2的分子不能為負。必須滿足條件2的要求,以確保等式1的分母不能為零或負。
一些示例將有助于說明設計過程。
例子1
在此示例中,我們希望使用從0到5.0V的控制電壓來生成從1.0V到10.0V的輸出電壓,即,在V C(max) = 5.0V時出現的V OUT(min) = 1.0V ,并且V OUT(max) = 10.0V(在V C = 0 時發生)。
同時滿足條件1和2,因此我們可以使用等式1來計算k,結果為0.34。將這個值插入等式2和3并嘗試不同的R3值,我們發現合適的首選值為:R1 =27kΩ;R2 =5.1kΩ; R3 =15kΩ。本示例的結果取自連接至330Ω負載且輸入電壓V IN = 12.0V的測試電路(圖3)。
圖3該圖顯示了示例1的測試結果,其中R1 =27kΩ;R2 =5.1kΩ; R3 =15kΩ; V IN = 12.0V。
例子2
在這里,我們在V C(max) = 2.0V時出現V OUT(min) = 0.25V ,而V OUT(max) = 25.0V(在V C = 0時)。滿足條件1和2時,方程1得出k的值為1.80 。將該值代入方程式2和3可得出合適的優選值:R1 =240kΩ+7.5kΩ;R2 =36kΩ; R3 =20kΩ。結果來自具有R LOAD =1kΩ和V IN = 26.0V 的測試電路(圖4)。
圖4此圖顯示了示例2和3的測試結果。
例子3
這里,我們要求在V C(max) = 2.0V時出現V OUT(min) = 0.5V ,而V OUT(max) = 12.0V(在V C = 0時)。滿足條件1和2,方程1得出k值為1.94 。將該值插入方程式2和3得出:R1 =270kΩ,R3 =47kΩ時R2 =91kΩ。結果在R LOAD =1kΩ和V IN = 13.0V 的測試電路上進行測量(圖4)。
以上所有示例均說明了控制電壓與輸出電壓之間的反比關系。隨著V C上升,趨于將FB引腳上的電壓拉高,閉環反饋迫使穩壓器降低V OUT,以使FB上的電勢等于內部參考電壓V REF。此外,在每個示例中,V OUT(min)小于V REF(在示例2中顯著小于)。輸出能夠低于V REF,因為調節器必須將其輸出拉至零,以使FB引腳上的電壓在V C升至最大值時保持等于V REF。
請注意,如果調節器負載很輕和/或R1和R2的值較大,則測量的輸出電壓可能會與預期值不同,尤其是在V OUT的低電平時。這似乎是由于LP2951的最低負載要求所致。通過增加負載和/或通過減小R1和R2的值可以消除此問題。
示例2和3顯示了如何使用單個控制電壓來控制具有非常不同的輸出特性的兩個(或多個)調節器。該方案僅增加了一個組件,即可將傳統電路轉換為功能更廣泛,更靈活的穩壓器,該穩壓器保留了LP2951的所有優勢(低壓差,限流和限熱等)。

