24小時聯系電話:18217114652、13661815404
中文
技術專題
數字電路與模擬電路之間的差異
數字電路與模擬電路之間的差異
介紹
電子是電氣工程的一個主要子分支,自20世紀中期以來,它一直是工程界以及普通人的重要組成部分。
作為電氣工程的一個分支,電子學處理電流,但是,電流的產生是由于電子(或電荷載流子,通常是氣體)或真空中在早期階段受控流向現代設備中的固態半導體。
實際上,電子學領域的重大突破是半導體材料的使用,這使電子電路和設備變得小巧,便宜,可靠且功耗非常低。
典型電子系統
電子學的大多數應用是在通信領域。因此,讓我們以一個簡單的通信系統為例,看看典型的電子系統是什么樣的。
討論的系統是公共廣播系統。如果演講者想在觀眾席或音樂會體育場等大范圍的聽眾面前講話,他(或她)會在稱為“麥克風”或簡稱為Mic的設備前講話。
麥克風是一種將來自揚聲器的聲波轉換為電信號的設備。但是來自麥克風的電信號的能量(或振幅)很小。如果我們在遠距離上發送此小幅度信號,它會由于各種損耗而失去強度,無法驅動揚聲器。
因此,在將電信號從麥克風傳輸到揚聲器之前,必須將它們的幅度放大。放大器是一種電子系統或設備,它接收小的電信號并以極大的幅度擁有其幅度并產生高幅度的電信號。
現在可以將放大后的信號饋送到揚聲器以對其進行驅動。
信號表示
設計和構建電子電路或系統的主要動機是處理信息或能量。放大器,收音機,計算機等是典型的電子系統的示例,這些電子系統處理信息,如先前的“公共廣播系統”示例所示。
通常,處理信息包括以下功能:
- 信息操縱或計算
- 電子系統的另一個目的是像復雜的電源或簡單的燈泡一樣處理電源。不管目的是為了處理信息還是能量,這些物理量都具體地表示為電子電路中的信號或電信號。
- 這些電信號可以是電流或電壓,并且電子電路網絡將處理這些信號。
模擬信號和數字信號
世界上幾乎所有信號都是模擬信號,即它們是不斷變化的值。自然界中有很多連續可變信號或簡單的模擬信號,例如光,運動,聲音,溫度,壓力等。
下圖顯示了典型的模擬信號。

與模擬信號的連續表示相反,數字信號的離散電平有所不同。通常,數字信號中的離散電平只有兩個值:ON和OFF。即使自然界中的所有物理信號都是連續的模擬信號,將信號表示為離散值也有其自身的優勢。

傳統上和歷史上,所有電子設備僅處理模擬信息。但是技術的發展導致使用數字信號來簡化處理,這種技術被稱為數字信號處理。
電子電路和系統的分類
可以使用各種半導體電子設備(例如PN結二極管,雙極結晶體管(BJT),場效應晶體管(FET)等)以及無源組件(例如電阻器和電容器)來實現信號處理。
許多此類電路的互連(每個電路都執行特定任務)會形成完整的電子系統或設備?;趯δM和數字信號的上述理解,可以以兩種方式進行電子電路的設計。他們是:
- 模擬電路
- 數字電路
模擬電路和數字電路是一種基于它們處理的信號在兩種類型的電子電路之間進行區分的經典方法。簡而言之,模擬電路處理連續的模擬信號,而數字電路處理離散的數字信號。
現在,讓我們通過簡單的示例查看每種類型。
模擬電路
如前所述,模擬電路是一種電子電路,它使用諸如電阻器,電容器,二極管,晶體管等的模擬組件來處理模擬數據。
模擬電路可能非常簡單,例如組合電阻器以形成分壓器,或組合運算放大器(內部包含晶體管),電阻器,二極管等以形成放大器。
以下是一個簡單的模擬電路的示例。

這是使用運算放大器,電阻器和電容器實現的簡單放大器電路。通過為電阻器和電容器選擇合適的值,可以在輸出端獲得顯著的增益。
老式陰極射線示波器(CRO)是可以檢測廣告分析模擬信號的模擬設備。
數字電路
相反,數字電路也是主要使用數字電子組件來處理數字信號而構建的一種電子電路。在低電平時,數字電路由晶體管,邏輯門(AND,NAND,NOT等)的組合以及在高層時的微控制器和處理器組成。
所有數字電路都在二進制數字信號上工作,即僅使用兩個電壓電平表示狀態信號,即ON或OFF。為了執行各種數字信號處理,所有數字電路都包含快速開關設備,例如二極管和晶體管,并且數字電路的一些重要功能是多路復用,解復用,存儲器,組合邏輯,順序邏輯等。
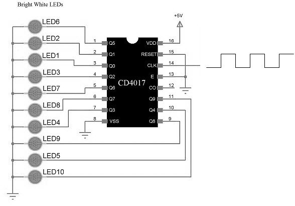
以下是使用CD4017計數器IC構建的簡單數字電路的示例。

這可能還不清楚,但是如果您看一下CD4017 IC的內部結構,就會發現它實際上是使用與門,或非門,反相器,觸發器和緩沖器構造的。

即使所有現代計算機都是使用模擬電子組件構建的,它們也都可以在數字領域中工作。由于大多數物理世界都是模擬的,因此在計算機可以執行任何操作之前,必須將模擬信號轉換為數字信號。

