24小時聯系電話:18217114652、13661815404
中文
行業資訊
數字電路中常見的觸發器類型
數字時序??電路中 通常使用三種類型的觸發器 :電平觸發器,脈沖觸發器和邊沿觸發器。現在讓我向您介紹這三個觸發因素。
脈沖觸發
如上圖所示,脈沖觸發器由兩個相同的電平觸發的SR觸發器組成,其中左SR觸發器成為主觸發器,右手側稱為從觸發器。 該??電路也稱為Master-Slave SR觸發器?。脈沖觸發的觸發方式分為兩步:第一步是當CLK = 1時,主觸發接收輸入端的信號,并設置為對應狀態,從觸發不動。第二步是當CLK的下降沿到來時,根據主觸發器的狀態將觸發器翻轉。因此,Q和Q'的輸出狀態變化發生在CLK的下降沿。
電平觸發
如上圖所示,電平觸發的邏輯結構圖和圖形符號圖僅在CLK為高電平時才可以接受輸入信號,并根據輸入信號將觸發輸出設置為對應的輸出。它由一個SR觸發器和兩個NAND門組成,也稱為同步SR觸發器。
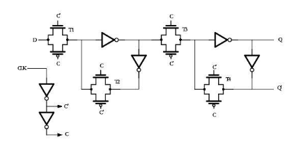
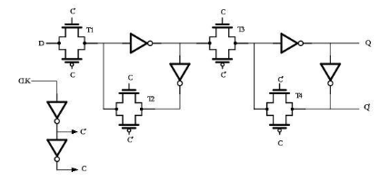
邊沿觸發
如上圖所示,主要在COMOS集成電路中使用的邊沿觸發電路結構實際上是由兩個CMOS傳輸門組成的電平觸發D型觸發器。
當CLK = 0時,TG1打開TG2,TG3關閉TG4。
當CLK = 1時,TG1關閉TG2,TG3打開TG4。
邊沿觸發器?的次級狀態 僅取決于時鐘信號的上升沿? 或下降沿到來時輸入的邏輯狀態,并且輸入信號在此之前或之后的變化不會影響輸出狀態觸發器的
根據邏輯功能的不同特性,時鐘控制的觸發器通常可以分為SR觸發器,JK觸發器,T觸發器和D觸發器。觸發器是數字設計中必不可少的時序邏輯單元, 它使電路具有??存儲功能?。順序邏輯電路和組合邏輯電路的結合使數字電路成為無限可能!

